-
-
-
Tổng tiền thanh toán:
-
Thương hiệu: Omron
Tình trạng: Còn hàng
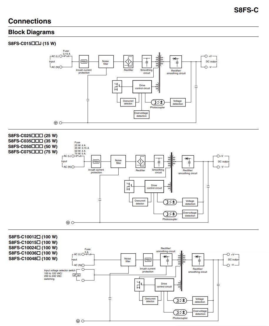
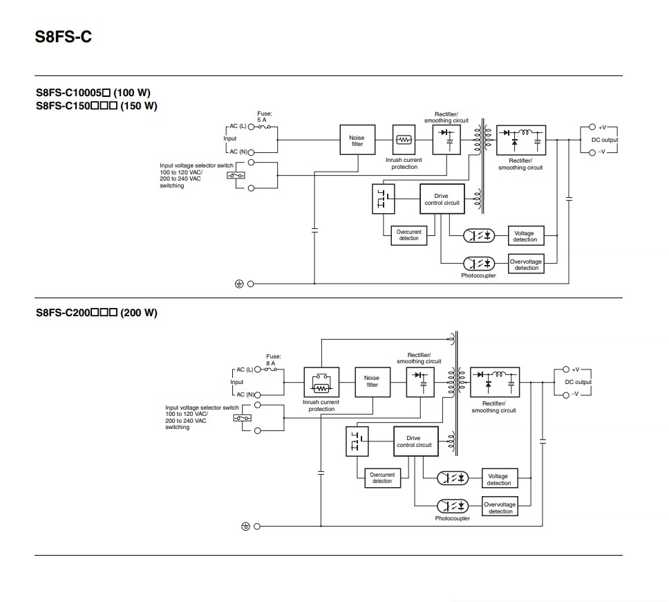
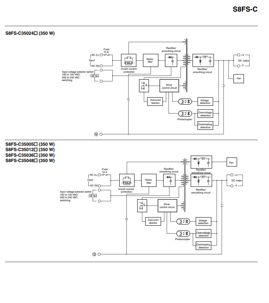
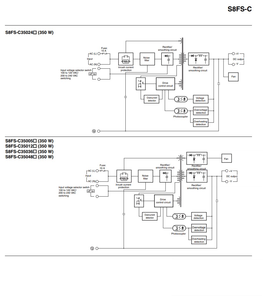
Bộ nguồn 24VDC Omron S8FS-C 110W-350W là bộ nguồn xung dạng tổ ong có cấu trúc đơn giản, thường được ứng dụng cho các dòng máy móc công suất cao, có thể chuyển đổi điện áp AC thành điện áp DC.
Tigatech hiện phân phối bộ nguồn 24VDC Omron S8FS-C 110W-350W, đảm bảo chất lượng chính hãng, giá cả ưu đãi, quý khách vui lòng liên hệ Zalo/Hotline: 0968716063 để được đội ngũ kỹ thuật viên tư vấn hỗ trợ.
Tiếp tục là một sản phẩm thuộc series S8FS-C, bộ nguồn 24VDC Omron S8FS-C 110W-350W cũng sở hữu những ưu điểm, đặc tính của các bộ nguồn xung (switching power supply) như những “anh em” khác. Thiết bị này thường được sử dụng cho các dòng máy móc công suất cao trong công nghiệp, nhằm chuyển đổi điện áp AC (xoay chiều) thành điện áp DC (một chiều).
| S8FS-C10024: Điện áp nguồn cấp 100-240 VAC, Điện áp ngõ ra 24VDC, công suất 100W-4.5A |
| S8FS-C10024J: Điện áp nguồn cấp 100-240 VAC, Điện áp ngõ ra 24VDC, công suất 100W-4.5A |
| S8FS-C15024: Điện áp nguồn cấp 100-240 VAC, Điện áp ngõ ra 24VDC, công suất 150W-6.5A |
| S8FS-C15024J: Điện áp nguồn cấp 100-240 VAC, Điện áp ngõ ra 24VDC, công suất 150W-6.5A |
| S8FS-C35024: Điện áp nguồn cấp 100-240 VAC, Điện áp ngõ ra 24VDC, công suất 350W-14.6A |
| S8FS-C35024J: Điện áp nguồn cấp 100-240 VAC, Điện áp ngõ ra 24VDC, công suất 350W-14.6A |
Mỗi mã sản phẩm sẽ có thông số kỹ thuật chênh lệch và khác biệt. Quý khách hàng vui lòng liên hệ Tigatech để được tư vấn kỹ càng và chính xác nhất.
| Nguồn cấp | 100...120VAC, 200...240VAC, 248...370VDC |
| Số đầu ra | 1 |
| Điện áp đầu ra | 24VDC |
| Dòng điện đầu ra | 4.5A |
| Công suất đầu ra | 100W |
| Kiểu lắp đặt | Lắp trên bề mặt |
| Phụ kiện đi kèm | Không |
| Phụ kiện mua rời | Gắn phía dưới vào thanh ray DIN: S82Y-FSC100DIN-S, Thanh ray DIN: S82Y-FSC150DIN, Miếng chặn cuối: PFP-M, Thanh ray: PFP-100N, Thanh ray: PFP-100N2, Thanh ray: PFP-50N, Vỏ cầu đấu: S82Y-FSC-C7, Vỏ cầu đấu: S82Y-FSC-C7F |
| Loại | Chuyển đổi nguồn điện |
| Loại chuyển đổi điện áp | AC/DC sang DC |
| Số pha đầu vào | 1-phase |
| Tần số đầu vào | 50Hz, 60Hz |
| Hiệu suất | 85%, 87% |
| Chức năng bảo vệ | Bảo vệ quá tải, Bảo vệ quá áp |
| Chức năng | Chỉ báo đầu ra (Led xanh) |
| Hình dạng | Có vỏ |
| Quạt làm mát tích hợp | Không |
| Kiểu đấu nối | Bắt vít |
| Nhiệt độ môi trường | -20...60°C |
| Độ ẩm môi trường | 20...90% |
| Khối lượng tương đối | 400g |
| Chiều rộng tổng thể | 97mm |
| Chiều cao tổng thể | 159mm |
| Chiều sâu tổng thể | 38mm |
| Tiêu chuẩn | CCC, CE, CSA, EAC, EN, UL |





- Về công suất:
- Về kích thước:
- Về hiệu suất:
- Về giá cả:
Quý khách vui lòng liên hệ Zalo/Hotline: 0968716063 để nhận chính sách ưu đãi về giá cả thiết bị từ Tigatech và dịch vụ hỗ trợ trọn gói.
Giao hàng trên toàn quốc
Thành tiền: