-
-
-
Tổng tiền thanh toán:
-
Thương hiệu: Omron
Tình trạng: Còn hàng
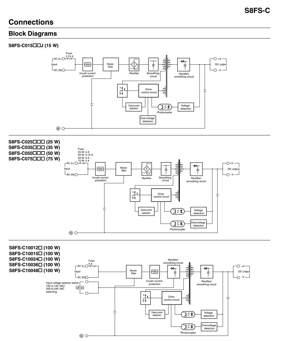
So với các model cùng series, bộ nguồn 24VDC Omron S8FS-C 15W-50W dạng tổ ong đặc trưng có kích thước nhỏ hơn, giá thành tương đối rẻ hơn. Bộ nguồn xung này thường được sử dụng để chuyển đổi điện áp AC thành điện áp DC.
Thiết bị được Tigatech phân phối chính hãng với giá cả ưu đãi và chất lượng đảm bảo, quý khách vui lòng liên hệ Zalo/Hotline: 0968716063 để được tư vấn hỗ trợ.
Cùng được sản xuất bởi Omron, bộ nguồn 24VDC S8FS-C 15W-50W thừa hưởng những ưu điểm, đặc tính nổi bật của các bộ nguồn xung (switching power supply) thuộc series S8FS-C. Thiết bị này có chức năng chuyển đổi điện áp AC (xoay chiều) thành điện áp DC (một chiều) và thường được ưa chuộng bởi khả năng ứng dụng đa dạng theo nhu cầu của người dùng.
| S8FS-C01524J: Điện áp nguồn cấp 100-240 VAC, Điện áp ngõ ra 24VDC, công suất 15W-0.7A |
| S8FS-C02524: Điện áp nguồn cấp 100-240 VAC, Điện áp ngõ ra 24VDC, công suất 25W-1.1A |
| S8FS-C02524J: Điện áp nguồn cấp 100-240 VAC, Điện áp ngõ ra 24VDC, công suất 25W-1.1A |
| S8FS-C03524: Điện áp nguồn cấp 100-240 VAC, Điện áp ngõ ra 24VDC, công suất 35W-1.5A |
| S8FS-C03524J: Điện áp nguồn cấp 100-240 VAC, Điện áp ngõ ra 24VDC, công suất 35W-1.5A |
| S8FS-C05024: Điện áp nguồn cấp 100-240 VAC, Điện áp ngõ ra 24VDC, công suất 50W-2.2A |
| S8FS-C05024J: Điện áp nguồn cấp 100-240 VAC, Điện áp ngõ ra 24VDC, công suất 50W-2.2A |
Mỗi mã sản phẩm sẽ có thông số kỹ thuật chênh lệch và khác biệt. Quý khách hàng vui lòng liên hệ Tigatech để được tư vấn kỹ càng và chính xác nhất.
| Mã | S8FS-C01524J |
| Nguồn cấp | 100...240VAC, 120...370VDC |
| Số đầu ra | 1 |
| Điện áp đầu ra | 24VDC |
| Dòng điện đầu ra | 0.7A |
| Công suất đầu ra | 15W |
| Kiểu lắp đặt | Lắp trên bề mặt |
| Phụ kiện đi kèm | Không |
| Phụ kiện mua rời | Gắn phía dưới vào thanh ray DIN: S82Y-FSC015DIN-S, Thanh ray DIN: S82Y-FSC015DIN, Miếng chặn cuối: PFP-M, Thanh ray: PFP-100N, Thanh ray: PFP-100N2, Thanh ray: PFP-50N, Vỏ cầu đấu: S82Y-FSC-C5MF |
| Loại | Chuyển đổi nguồn điện |
| Loại chuyển đổi điện áp | AC/DC sang DC |
| Số pha đầu vào | 1-phase |
| Tần số đầu vào | 50Hz, 60Hz |
| Hiệu suất | 85%, 87% |
| Chức năng bảo vệ |
Bảo vệ quá tải Bảo vệ quá áp |
| Chức năng |
Chỉ báo đầu ra Hoạt động hàng loạt |
| Quạt làm mát tích hợp | Không |
| Kiểu đấu nối | Bắt vít |
| Nhiệt độ môi trường | -20...60°C |
| Độ ẩm môi trường | 20...90% |
| Khối lượng tương đối | 150g |
| Chiều rộng tổng thể | 51mm |
| Chiều cao tổng thể | 78mm |
| Chiều sâu tổng thể | 28mm |
| Tiêu chuẩn | CCC, CE, CSA, EAC, EN, UL |



Bộ nguồn 24VDC Omron S8FS-C 15-50W và bộ nguồn 12VDC Omron S8FS-C đều thuộc cùng series và có nhiều đặc tính tương đồng như:
Tuy nhiên, cả hai hệ sản phẩm này cũng có những điểm khác biệt như:
| Mã | 24VDC Omron S8FS-C 15-50W | 12VDC Omron S8FS-C |
| Điện áp đầu ra | 24VDC | 12VDC |
| Dòng điện đầu ra | 0.63A - 2.08A | 1.25A - 4.17A |
| Giá thành | Rẻ hơn | Đắt hơn |
| Ứng dụng | Thích hợp cho các thiết bị sử dụng điện áp 24VDC | Thích hợp cho các thiết bị sử dụng điện áp 12VDC |
Quý khách vui lòng liên hệ Zalo/Hotline: 0968716063 để nhận chính sách ưu đãi về giá cả thiết bị từ Tigatech và dịch vụ hỗ trợ trọn gói.
Giao hàng trên toàn quốc
Thành tiền: