-
-
-
Tổng tiền thanh toán:
-
Thương hiệu: Omron
Tình trạng: Còn hàng
Bộ nguồn DC Omron S8VS là series bộ nguồn được sản xuất bởi Omron, có tác dụng cung cấp nguồn điện và đảm bảo vận hành cho các PLC, hệ thống máy móc công nghiệp.
Sản phẩm được phân phối chính hãng bởi Tigatech, được hỗ trợ trọn gói với giá cả ưu đãi tới khách hàng qua Zalo/Hotline: 0968716063.
Series bộ nguồn S8VS Omron là thiết bị có chức năng bảo vệ các bộ điều khiển (PLC), máy móc khỏi việc bị quá tải, quá áp; đảm bảo điện áp ngõ ra; giúp đấu nối nguồn song song; cảnh báo điện áp thấp và hỗ trợ đấu nối nguồn nối tiếp. Bộ nguồn còn có chức năng dự báo/cảnh báo thời gian bảo trì của máy móc, hỗ trợ người dùng sắp xếp, xác định lịch bảo dưỡng máy móc phù hợp.
Thiết bị là lựa chọn lý tưởng dành cho các hệ thống máy móc cần đến một nguồn điện DC (một chiều) ổn định và an toàn, hiệu quả năng lượng cao và không gian lắp đặt hạn chế.
| S8VS-06024: Điện áp nguồn cấp 100-240 VAC, Điện áp ngõ ra 24VDC +/-10%, hiển thị dòng áp ngõ ra, công suất 60W-2.5A |
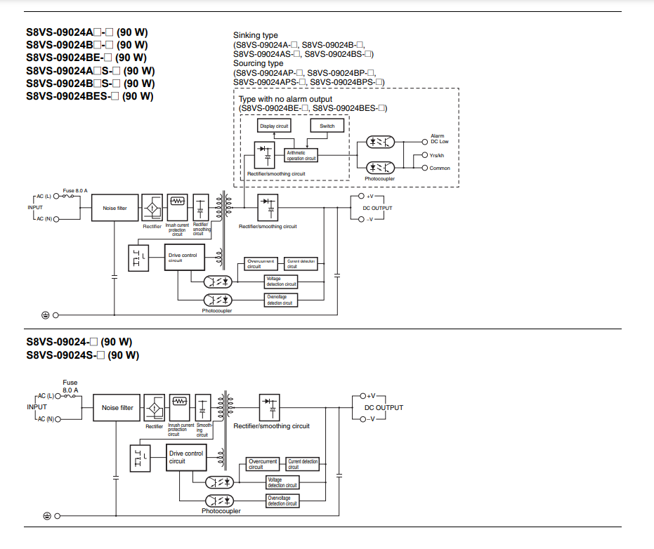
| S8VS-09024: Điện áp nguồn cấp 100-240 VAC, Điện áp ngõ ra 24VDC +/-10%, hiển thị dòng áp ngõ ra, công suất 90W-3.75A |
| S8VS-12024: Điện áp nguồn cấp 100-240 VAC, Điện áp ngõ ra 24VDC +/-10%, hiển thị dòng áp ngõ ra, công suất 120W-5A |
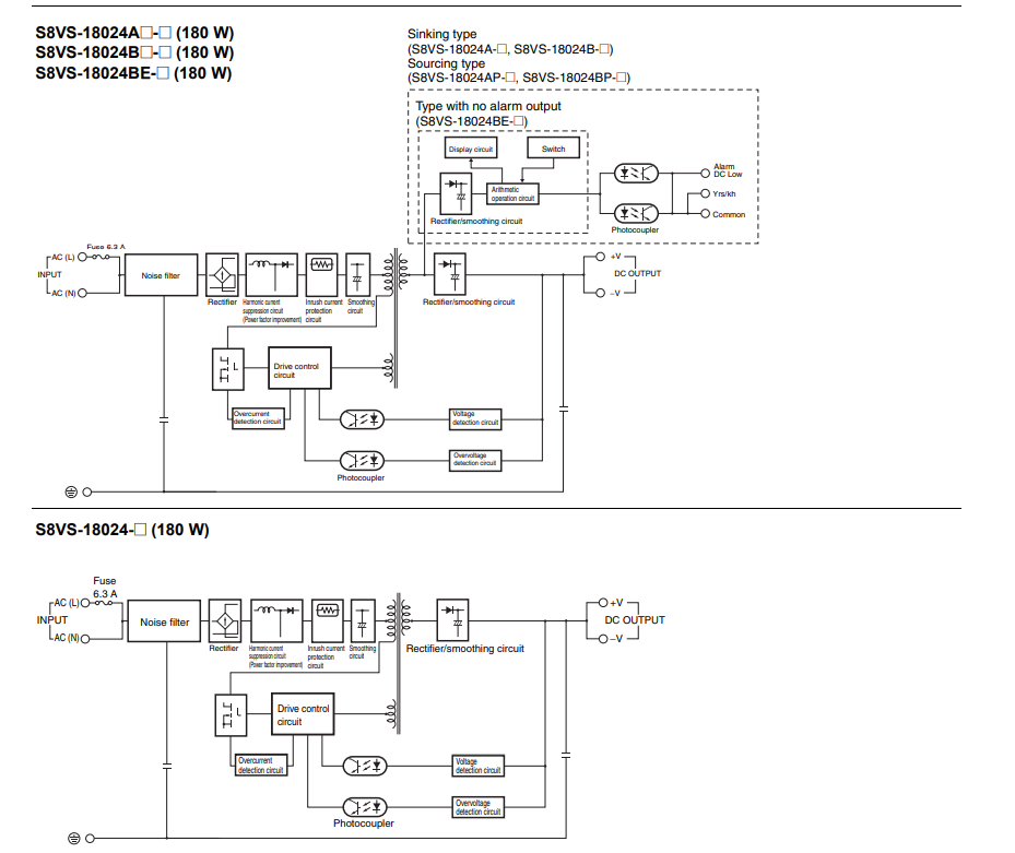
| S8VS-18024: Điện áp nguồn cấp 100-240 VAC, Điện áp ngõ ra 24VDC +/-10%, hiển thị dòng áp ngõ ra, công suất 180W-7.5A |
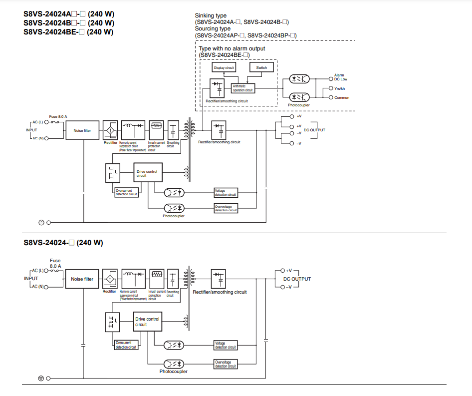
| S8VS-24024: Điện áp nguồn cấp 100-240 VAC, Điện áp ngõ ra 24VDC +/-10%, hiển thị dòng áp ngõ ra, công suất 240W-10A |
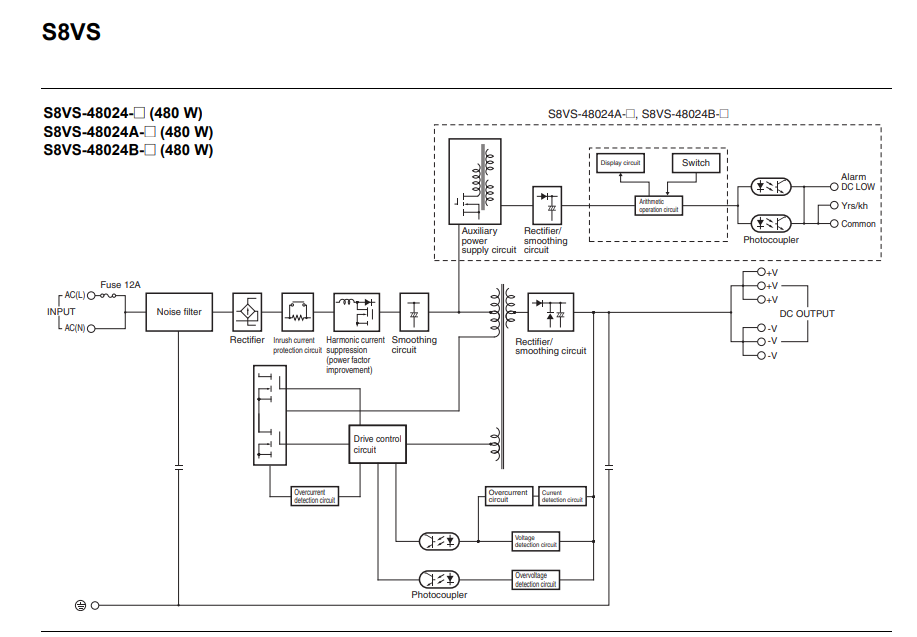
| S8VS-48024: Điện áp nguồn cấp 100-240 VAC, Điện áp ngõ ra 24VDC +/-10%, hiển thị dòng áp ngõ ra, công suất 240W-20A |
Mỗi mã sản phẩm sẽ có thông số kỹ thuật chênh lệch và khác biệt. Quý khách hàng vui lòng liên hệ Tigatech để được tư vấn kỹ càng và chính xác nhất.
| Mã | S8VS-06024 |
| Điện áp định mức | 100 - 240 VAC; 50/60 Hz |
| Dải điện áp cho phép | 85 đến 264 VAC hoặc 80 đến 370 VDC |
| Hiệu quả | 83 - 85 % |
| Trạng thái hiển thị trên màn hình | 3 chữ số, 7 đoạn |
| Ngõ ra, dòng ra | 24VDC, 2.5A |
| Công suất nguồn | 60 W |
| Điều chỉnh áp | -10% +10% V. ADJ |
| Bảo vệ quá tải |
Bảo vệ ngắn mạch Tự reset |
| Đèn báo hoạt động | Màu xanh |
| Nhiệt độ bảo quản | -25 đến 65 ° C |
| Độ ẩm môi trường xung quanh | 25% đến 85% |
| Giá đỡ bên | S82Y-VS10S |
| Chất liệu vỏ | Nhựa ABS |
| Cân nặng | Khoảng 330g |








Bộ nguồn DC Omron S8VS thường được sử dụng rộng rãi trong các lĩnh vực như:
Liên hệ ngay Zalo/Hotline: 0968716063 để nhận chính sách ưu đãi về giá cả thiết bị từ Tigatech và dịch vụ hỗ trợ trọn gói.
Giao hàng trên toàn quốc
Thành tiền: