-
-
-
Tổng tiền thanh toán:
-
Thương hiệu: Omron
Tình trạng: Còn hàng
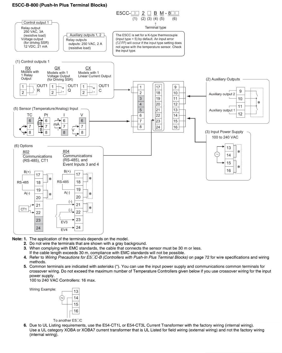
Tigatech tiếp tục giới thiệu bộ ổn nhiệt E5CC-B-800 kích thước 48×48 mm nguồn AC100-240 do Omron sản xuất, là thiết bị điều khiển nhiệt độ sử dụng cho các bộ điều khiển (PLC) với chất lượng chính hãng, đảm bảo vận hành lâu dài.
Giá hiển thị có thể thay đổi tùy thuộc thị trường và trạng thái cung ứng, để nhận ưu đãi và mức giá tốt nhất, vui lòng liên hệ Zalo/Hotline 0968716063.
Được sản xuất bởi hãng Omron, bộ ổn nhiệt E5CC-B-800 kích thước 48×48 mm nguồn AC100-240 là thiết bị điều khiển nhiệt độ được ứng dụng trong nhiều lĩnh vực đời sống, từ công nghiệp, nông nghiệp cho tới dân dụng phổ biến.
| E5CC-RX2ABM-800: 1 Out Relay, 2 Alarm, nguồn AC100-240 |
| E5CC-QX2ABM-800: 1 Out Voltage, 2 Alarm, nguồn AC100-240 |
| E5CC-CX2ABM-800: 1 Out Current, 2 Alarm, nguồn AC100-240 |
| E5CC-RX2ABM-802: 1 Out Relay, 2 Alarm, RS485, 1 CT input, nguồn AC100-240 |
| E5CC-QX2ABM-802: 1 Out Voltage, 2 Alarm, RS485, 1 CT input, nguồn AC100-240 |
| E5CC-CX2ABM-804: 1 Out Current, 2 Alarm, RS485, 2 Event Input, nguồn AC100-240 |
Mỗi mã sản phẩm sẽ có thông số kỹ thuật chênh lệch và khác biệt. Quý khách hàng vui lòng liên hệ Tigatech để được tư vấn kỹ càng và chính xác nhất.
|
Mã hàng |
E5CC-RX2ABM-800 |
|
Loại |
Digital controller |
|
Kiểu hiển thị |
Digital LCD |
|
Nguồn cấp |
100...240VAC |
|
Chế độ điều khiển |
Điều khiển làm mát Điều khiển hệ thống sưởi |
|
Phương pháp điều khiển |
2-PID control, ON-OFF control |
|
Loại đầu vào cảm biến |
K, J, T, E, L, U, N, R, S, B, C, W, PL2, Pt 100Ohm, JPt 100Ohm, Infrared temperature sensor, 0...20mADC, 4...20mADC, 0...10VDC, 0...5VDC, 1...5VDC |
|
Loại ngõ ra điều khiển |
Relay output |
|
Số ngõ ra điều khiển |
1 |
|
Phụ kiện đi kèm |
Flush mounting bracket, Waterproof packing |
|
Phụ kiện mua rời |
Terminal cover: E53-COV17, Terminal cover: E53-COV23, Waterproof packing: Y92S-P8, Current transformers: E54-CT1, Current transformers: E54-CT1L, Current transformers: E54-CT3, Current transformers: E54-CT3L, Waterproof cover: Y92A-48N, Mounting adapter: Y92F-49, Protective cover: Y92A-48D, Protective cover: Y92A-48H, Adapter: Y92F-45, DIN track mounting adapter: Y92F-52 |
|
Số kí tự hiển thị |
4 |
|
Chiều cao kí tự (Giá trị đo) |
15.2mm |
|
Số kênh |
1 |
|
Dải nhiệt độ |
0...100ºC, 0...120ºC, 0...1300ºC, 0...165ºC, 0...1700ºC, 0...1800ºC, 0...2300ºC, 0...260ºC, 0...90ºC, -100...850ºC, -199.9...400ºC, -199.9...500ºC, -20...400ºC, -20...500ºC, -200...1300ºC, -200...400ºC, -200...850ºC, -200...600ºC |
|
Số đầu vào cảm biến |
1 |
|
Số ngõ ra phụ |
2 |
|
Loại ngõ ra phụ |
Relay output |
|
Truyền thông |
Không |
|
Chức năng |
Manual output, Heating/cooling control, Loop burnout alarm, SP ramp, Other alarm functions, Heater burnout (HB) alarm (including SSR failure (HS) alarm), 40% AT, 100% AT, MV limiter, Input digital filter, Self tuning, PV input shift, Run/stop, Protection functions, Temperature status display, Moving average of input value |
|
Phương pháp lắp đặt |
Lắp phẳng |
|
Kích thước lỗ lắp đặt |
W45xH45mm |
|
Kiểu kết nối |
Bắt vít |
|
Nhiệt độ môi trường (không đóng băng) |
-10...55°C, -25...70°C |
|
Độ ẩm môi trường (không ngưng tụ) |
25...85%, 90% or less |
|
Khối lượng tương đối |
120g |
|
Chiều rộng tổng thể |
48mm |
|
Chiều cao tổng thể |
48mm |
|
Chiều sâu tổng thể |
71.4mm |
|
Cấp độ bảo vệ |
IP00, IP20, IP66 |
|
Tiêu chuẩn |
CE, CSA, KC, UL |
06 lý do chọn mua bộ ổn nhiệt E5CC-B-800 kích thước 48×48 mm nguồn AC100-24- Màn hình hiển thị LCD lớn: dễ đọc, dễ theo dõi nhiệt độ và dễ cài đặt theo nhu cầu.
- Cài đặt đơn giản: dễ cài đặt bằng cách sử dụng phím bấm trên bộ điều khiển.
- Chế độ điều khiển PID: đảm bảo nhiệt độ được kiểm soát chính xác và ổn định.
- Nhiều loại đầu vào và đầu ra: có khả năng kết nối với nhiều thiết bị khác nhau.
- Kích thước nhỏ gọn: Dễ dàng lắp đặt trong nhiều không gian khác nhau.
- Phù hợp với đa dạng các loại thiết bị máy móc, từ quy mô dân dụng cho tới dây chuyền sản xuất công nghiệp.

Liên hệ ngay Zalo/Hotline 0968716063 để nhận dịch vụ tư vấn, hỗ trợ nhiệt tình từ Tigatech cùng giá ưu đãi.
Giao hàng trên toàn quốc
Thành tiền: