-
-
-
Tổng tiền thanh toán:
-
Thương hiệu: INVT
Tình trạng: Còn hàng
Bảo hành: Chính hãng
Mô tả: Biến tần 3 pha, điện áp vào 3 pha 380V, điện áp ra 3 pha 380V
Ứng dụng: PLC giản đơn, đa cấp tốc độ đặt trước, điều khiển PID, cài đặt linh hoạt V/F, điều khiển thắng, chế độ tiết kiệm điện…
Liên hệ Zalo/Hotline 0968716063 để có giá tốt nhất.
Biến tần INVT 0.75kW 3 Pha 380V thuộc dòng biến tần đa năng mới nhất của INVT, có hiệu suất cao và phù hợp với nhiều loại máy chế tạo. Sản phẩm này có thể điều khiển theo phương pháp vector vòng hở tiên tiến, mang lại khả năng điều khiển chính xác và linh hoạt, đồng thời có thể gắn trên DIN RAIL với công suất nhỏ hoặc bảng tủ.
Đặc tính kỹ thuật chính:
Kích thước:
Kích thước Wall Mounting biến tần INVT 1HP 3 Pha 380V:
|
Kích thước (mm) |
W1 |
W2 |
H1 |
H2 |
D1 |
D2 |
|
80.0 |
60.0 |
185.0 |
175.0 |
140.0 |
137.2 |
Kích thước Flange Mounting biến tần INVT 1HP 3 Pha 380V:
|
Kích thước (mm) |
W1 |
W2 |
H1 |
H2 |
D1 |
D2 |
|
80.0 |
185.0 |
35.4 |
36.6 |
140.5 |
137.3 |
Trọng lượng và kích thước đóng gói bên ngoài:
|
GD20-0R7G-4 |
Công suất |
Trọng lượng Gross (kg) |
Trọng lượng Net (kg) |
Vật liệu đóng gói |
Kích thước đóng gói bên ngoài (mm) |
|
1HP |
1.3kg |
1.0kg |
Hộp Carton |
242mm x 130mm x 120mm |
|
Model |
GD20-0R7G-4 |
|
Series |
GD20 |
|
Công suất |
0.75 kW |
|
Điện áp ngõ vào |
3 pha 380V |
|
Điện áp ngõ ra |
3 pha 380V |
|
Tần số ra |
0.1-400Hz |
|
Momen khởi động |
150%, 0.5Hz, (SVC) |
|
Khả năng chịu quá tải |
60s với 150% dòng định mức, 10s với 180% dòng định mức, 1s với 200% dòng định mức |
|
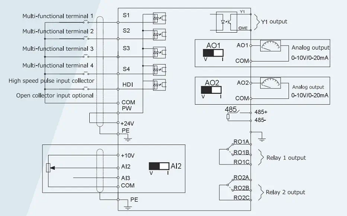
Tích hợp sẵn |
Keypad Bộ điều khiển thắng (Breaking Unit), Cổng truyền thông RS-485, Bộ lọc EMC |
|
Kiểu điều khiển |
V/F (SVPWM) |
|
Số cổng I/O |
13 |
|
Nhiệt độ môi trường |
-10 … 50 °C (ở 40 °C công suất sẽ giảm) |
|
Tích hợp quạt làm mát |
Có |
|
Hệ thống bảo vệ nâng cao |
23 chức năng bảo vệ |
|
Cấp bảo vệ |
Bộ lọc EMC tích hợp IP 20 (C3) |
|
Dòng điện ngõ vào |
3.4A |
|
Khối lượng |
1kg |

Biến tần INVT GD20 Series là sản phẩm đa năng cho nhiều ứng dụng công nghiệp. Khi chọn biến tần này, bạn cần xem xét các yếu tố như: công suất, điện áp đầu vào và đầu ra, chế độ điều khiển.
Biến tần INVT GD20 Series có thể hoạt động với công suất từ 0.75 kW đến 110 kW, điện áp 1 pha 220V hoặc 3 pha 220V/380V, và các chế độ V/F, vector vòng hở và vòng kín.


Biến tần INVT GD20-0R7G-4 có tính linh hoạt cao trong việc lắp đặt. Sản phẩm có thể được gắn trên DIN RAIL với các giá đỡ thích hợp, hoặc được bắt vít trực tiếp lên bảng tủ. Thân biến tần có các lỗ bắt vít tiện lợi cho việc lắp đặt trên bảng tủ.
Biến tần INVT GD20-0R7G-4 yêu cầu điều kiện lắp đặt phù hợp để hoạt động hiệu quả và bền bỉ:
Để vận hành biến tần, người vận hành cần có kiến thức mới về thiết bị này. Khi cấp nguồn cho biến tần, không được động vào dây điện, linh kiện hoặc thực hiện bất kỳ thao tác nào khác. Chỉ khi đã ngắt hết nguồn vào và chờ cho đến khi điện áp trên DC bus giảm xuống dưới 36V, mới có thể đấu dây, kiểm tra hoặc thay đổi linh kiện.
Thời gian chờ được quy định trong bảng sau:
|
Module biến tần |
Thời gian chờ (min) |
|
|
1 pha 220V |
0.2 – 2.2Kw |
5 phút |
|
3 pha 220V |
0.2 – 2.2Kw |
5 phút |
|
3 pha 380V |
0.75 – 2.2Kw |
5 phút |
Một số lưu ý khác:
=> Cam kết hàng chính hãng, bảo hành theo tiêu chuẩn nhà sản xuất
=> Liên hệ Zalo/Hotline 0968716063 để có giá tốt nhất.
Giao hàng trên toàn quốc
Thành tiền: