-
-
-
Tổng tiền thanh toán:
-
Thương hiệu: INVT
Tình trạng: Còn hàng
Mã sản phẩm: GD20-1R5G-4
Mô tả: Biến tần INVT 1.5kw, điện áp vào 3 pha 380v, điện áp ra 3 pha 380v
Ứng dụng: PLC giản đơn, đa cấp tốc độ đặt trước, điều khiển PID, cài đặt linh hoạt V/F, điều khiển thắng, chế độ tiết kiệm điện…
Liên hệ Zalo/Hotline 0968716063 để có giá tốt nhất.
Biến tần INVT 1.5kW 3 Pha 380V – GD20-1R5G-4 là sản phẩm mới của dòng biến tần đa năng có hiệu quả cao cho các ứng dụng trong ngành chế tạo máy. GD20 áp dụng công nghệ điều khiển vector không cần cảm biến với khả năng vận hành ổn định, có thể gắn trên DIN RAIL cho công suất nhỏ hoặc trên bảng điều khiển.
Đặc tính kỹ thuật chính:
Kích thước:
Kích thước Wall Mounting biến tần INVT 1.5kW 3 Pha 380V
|
Kích thước (mm) |
W1 |
W2 |
H1 |
H2 |
D1 |
D2 |
|
80.0 |
60.0 |
185.0 |
175.0 |
140.5 |
137.3 |
Kích thước Rail Mounting biến tần INVT 1.5kW 3 Pha 380V
|
Kích thước (mm) |
W1 |
W2 |
H1 |
H2 |
D1 |
D2 |
|
80.0 |
185.0 |
35.4 |
36.6 |
140.5 |
137.3 |
Trọng lượng và kích thước đóng gói bên ngoài:
|
GD20-1R5G-4 |
Công suất |
Trọng lượng Gross (kg) |
Trọng lượng Net (kg) |
Vật liệu đóng gói |
Kích thước đóng gói bên ngoài (mm) |
|
1.5kw |
1.3kg |
1.0kg |
Hộp Carton |
242mm x 130mm x 120mm |
|
Model |
GD20-1R5G-4 |
|
Series |
GD20 |
|
Công suất |
1.5kw |
|
Điện áp ngõ vào |
3 pha 380V |
|
Điện áp ngõ ra |
3 pha 0-380V |
|
Tần số đầu vào |
50-60Hz (cho phép từ 47-60Hz) |
|
Dòng định mức đầu ra |
4.2A |
|
Khả năng kiểm soát tốc độ chính xác |
± 0.2% |
|
Tốc độ phản ứng moment xoán |
<20ms |
|
Độ chính xác kiểm soát moment |
10% |
|
Khả năng chịu quá tải |
150% dòng định mức trong 1 phút, 180% dòng định mức trong 10s, và 200% dòng định mức trong 1s |
|
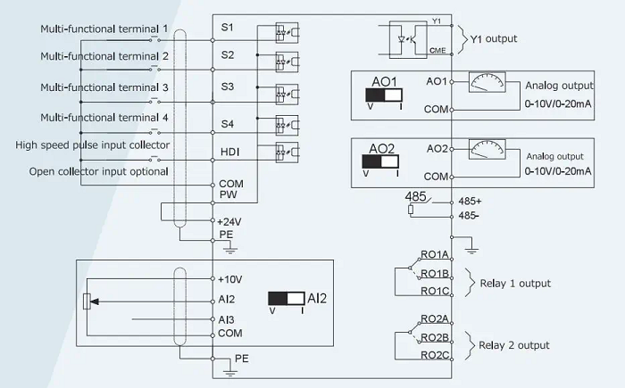
Analog input |
1 (AI2) 0~10V/0~20mA and 1 (AI3) -10~10V |
|
Analog output |
2 (AO1, AO2) 0~10V/0~20mA |
|
Digital input |
4 ngõ vào số tối đa 1khz, và 1 ngõ vào số sung tốc độ cao tối đa 50khz |
|
Relay output |
2 ngõ ra relay (NO, NC) |
|
Môi trường hoạt động |
-10~50°C, giảm hiệu suất 40°C, được khuyên dùng dưới 40°C |
|
Làm mát |
Quạt làm mát |



Biến tần INVT GD20-1R5G-4 có thể lắp đặt dễ dàng theo nhiều cách. Sản phẩm có thể gắn lên DIN RAIL bằng các giá đỡ phù hợp, hoặc được vít chặt lên bảng tủ. Thân biến tần có các lỗ vít tiện ích cho việc lắp đặt trên bảng tủ.
Biến tần INVT GD20-1R5G-4 cần được lắp đặt đúng cách để hoạt động hiệu quả và lâu dài:
Một số nội dung cần được học để có thể sử dụng biến tần một cách an toàn và hiệu quả. Khi biến tần đang hoạt động, không nên chạm vào bất kỳ phần nào của thiết bị, bao gồm dây điện và linh kiện. Để thực hiện các công việc như đấu nối, kiểm tra hay thay thế, phải tắt nguồn hoàn toàn và đợi cho đến khi điện áp trên DC bus hạ xuống dưới 36V.
Thời gian chờ được quy định trong bảng sau:
|
Module biến tần |
Thời gian chờ (min) |
|
|
1 pha 220V |
0.2 – 2.2Kw |
5 phút |
|
3 pha 220V |
0.2 – 2.2Kw |
5 phút |
|
3 pha 380V |
0.75 – 2.2Kw |
5 phút |
Để đảm bảo an toàn khi sử dụng biến tần, xin lưu ý những điều sau:
=> Cam kết hàng chính hãng, bảo hành theo tiêu chuẩn nhà sản xuất
=> Liên hệ Zalo/Hotline 0968716063 để có giá tốt nhất.
Giao hàng trên toàn quốc
Thành tiền: