-
-
-
Tổng tiền thanh toán:
-
Thương hiệu: INVT
Tình trạng: Còn hàng
SKU: GD20-2R2G-4
Mô tả: Biến tần 3 pha 2.2kw, điện áp vào 3 pha 380V, điện áp ra 3 pha 380V
Ứng dụng: PLC giản đơn, đa cấp tốc độ đặt trước, điều khiển PID, cài đặt linh hoạt V/F, điều khiển thắng, chế độ tiết kiệm điện…
Liên hệ Zalo/Hotline 0968716063 để có giá tốt nhất.
Biến tần INVT 2.2kW 3 Pha 380V - GD20-2R2G-4 là biến tần đa năng mới của INVT có công suất 2.2kW, dùng cho 3 Pha 380V. Sản phẩm này có hiệu suất cao trong các ứng dụng chế tạo máy thông dụng. GD20 áp dụng công nghệ điều khiển vector vòng hở tiên tiến, cho khả năng điều khiển xuất sắc, có thể gắn trên DIN RAIL với công suất nhỏ hoặc trên bảng tủ.
Đặc tính kỹ thuật chính:
Kích thước:
Kích thước Wall Mounting biến tần INVT 2.2kW 3 Pha 380V
|
Kích thước (mm) |
W1 |
W2 |
H1 |
H2 |
D1 |
D2 |
|
80.0 |
60.0 |
185.0 |
175.0 |
140.5 |
137.3 |
Kích thước Rail Mounting biến tần INVT 2.2kW 3 Pha 380V
|
Kích thước (mm) |
W1 |
H1 |
H3 |
H4 |
D1 |
D2 |
|
80.0 |
185.0 |
35.4 |
36.6 |
140.5 |
137.3 |
Trọng lượng và kích thước đóng gói bên ngoài:
| GD20-2R2G-4 |
Công suất |
Trọng lượng Gross (kg) |
Trọng lượng Net (kg) |
Vật liệu đóng gói |
Kích thước đóng gói bên ngoài (mm) |
|
2.2kW |
1.3kg |
1.0kg |
Hộp Carton |
242mm x 130mm x 120mm |
|
Model |
GD20-2R2G-4 |
|
Series |
GD20 |
|
Công suất |
2.2kw |
|
Điện áp ngõ vào |
3 pha 380V |
|
Điện áp ngõ ra |
3 pha 0-380V |
|
Tần số đầu vào |
50-60Hz (cho phép từ 47-60Hz ) |
|
Dòng định mức đầu ra |
5.5A |
|
Khả năng kiểm soát tốc độ chính xác |
± 0.2% |
|
Tốc độ phản ứng moment xoán |
<20ms |
|
Độ chính xác kiểm soát moment |
10% |
|
Khả năng chịu quá tải |
150% dòng định mức trong 1 phút, 180% dòng định mức trong 10s, và 200% dòng định mức trong 1s. |
|
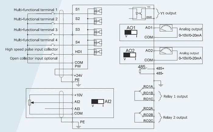
Analog input |
1 (AI2) 0~10V/0~20mA and 1 (AI3) -10~10V |
|
Analog output |
2 (AO1, AO2) 0~10V/0~20mA |
|
Digital input |
4 ngõ vào số tối đa 1khz, và 1 ngõ vào số sung tốc độ cao tối đa 50khz |
|
Relay output |
2 ngõ ra relay (NO, NC) |
|
Môi trường hoạt động |
-10~50°C, Giảm hiệu suất 40°C, được khuyên dùng dưới 40°C |
|
Làm mát |
Quạt làm mát |

Ứng dụng của biến tần INVT 2.2kW 3 Pha 380V - GD20-2R2G-4
Một số lĩnh vực ứng dụng của biến tần GD20-2R2G-4 bao gồm: dệt may, in ấn, đóng gói, thực phẩm, xử lý nước thải, gốm sứ, gỗ, và nhiều ngành khác. Biến tần này có thể điều khiển tốc độ và mô-men của động cơ không đồng bộ một cách chính xác và linh hoạt.
Nhiều phương án lắp đặt biến tần INVT GD20-2R2G-4 được hỗ trợ bởi thiết kế tiện lợi của sản phẩm. Biến tần có thể gắn trên DIN RAIL bằng các giá đỡ tương thích, hoặc được vít gắn trên bảng tủ. Biến tần cũng có các lỗ vít hữu ích để lắp đặt trên bảng tủ.
Để biến tần INVT GD20-2R2G-4 hoạt động ổn định và bền bỉ, cần chú ý đến các yếu tố sau khi lắp đặt:
Để sử dụng biến tần một cách an toàn và hiệu quả, cần nắm vững một số nội dung quan trọng. Khi biến tần đang chạy, không được tiếp xúc với bất kỳ bộ phận nào của thiết bị, kể cả dây điện và linh kiện. Khi cần thực hiện các công việc như đấu nối, kiểm tra hay thay thế, phải ngắt nguồn hoàn toàn và chờ cho đến khi điện áp trên DC bus giảm xuống dưới 36V.
Một số lưu ý quan trọng để đảm bảo an toàn khi sử dụng biến tần là:
=> Cam kết hàng chính hãng, bảo hành theo tiêu chuẩn nhà sản xuất
=> Liên hệ Zalo/Hotline 0968716063 để có giá tốt nhất.
Giao hàng trên toàn quốc
Thành tiền: