-
-
-
Tổng tiền thanh toán:
-
Thương hiệu: Omron
Tình trạng: Còn hàng
Được sản xuất bởi Omron, cảm biến tiệm cận E2B series: M8, PNP, NC được dùng để phát hiện vật thể kim loại trong các hệ thống băng tải, hệ thống tự động hóa trong công nghiệp. Thiết bị có kích thước nhỏ gọn, dễ sử dụng với độ chính xác cao.
Tigatech phân phối thiết bị với chất lượng đảm bảo chính hãng và giá cả ưu đãi, để được tư vấn cụ thể, quý khách vui lòng liên hệ Zalo/Hotline: 0968716063.
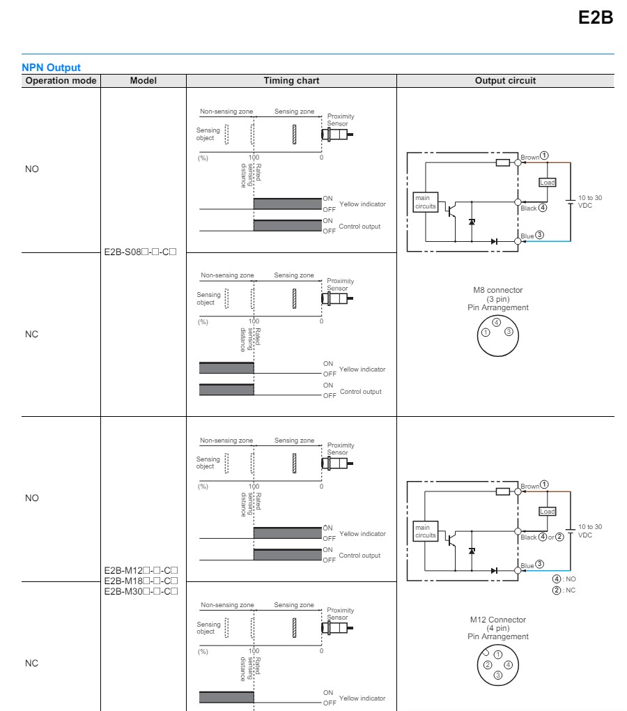
Cảm biến tiệm cận Omron E2B series: M8, PNP, NC sở hữu kích thước nhỏ gọn, có hình trụ, vỏ thép không gỉ, sử dụng ngõ ra PNP và thuộc dạng NC (Normally Closed - Thường Đóng) trong series cảm biến tiệm cận do Omron sản xuất.
Thiết bị có chức năng phát hiện các vật thể kim loại trong hệ thống máy móc, từ đó phát hiện chuyển động của vật thể và kích hoạt các chức năng hoặc thay đổi trạng thái hoạt động của hệ thống, đếm số lượng vật thể và kiểm soát chúng trong dòng chuyển động, tự động hóa của hệ thống.
| E2B-S08KN04-MC-B2: Cảm biến tiệm cận, LITE, inductive, stainless steel, short body, M8, unshielded, 4 mm, DC, 3-wire, PNP-NC, M8 plug-in (3 pin) |
| E2B-S08KN04-WP-B2 2M: Cảm biến tiệm cận, LITE, inductive, stainless steel, short body, M8, unshielded, 4 mm, DC, 3-wire, PNP-NC, 2 m cable |
| E2B-S08KS01-MC-B2: Cảm biến tiệm cận, inductive, stainless steel, short body, M8, shielded, 1 mm, DC, 3-wire, PNP-NC, M8 plug-in |
| E2B-S08KS02-MC-B2: Cảm biến tiệm cận, inductive, stainless steel, short body, M8, shielded, 2 mm, DC, 3-wire, PNP NC, M8 connector 3 pins |
| E2B-S08KS02-WP-B2 2M: Cảm biến tiệm cận, inductive, stainless steel, short body, M8, shielded, 2 mm, DC, 3-wire, PNP NC, 2 m cable |
| E2B-S08LN04-MC-B2: Cảm biến tiệm cận,inductive, stainless steel, long body, M8, unshielded, 4 mm, DC, 3-wire, PNP-NC, M8 plug-in |
| E2B-S08LS02-MC-B2: Cảm biến tiệm cận, LITE, inductive, stainless steel, long body, M8, shielded, 2 mm, DC, 3-wire, PNP-NC, M8 plug-in (3 pin) |
| E2B-S08LS02-WP-B2 2M: Cảm biến tiệm cận, LITE, inductive, stainless steel, long body, M8, shielded, 2 mm, DC, 3-wire, PNP-NC, 2 m cable |
Mỗi mã sản phẩm sẽ có thông số kỹ thuật chênh lệch và khác biệt. Quý khách hàng vui lòng liên hệ Tigatech để được tư vấn kỹ càng và chính xác nhất.
| Hình dạng | Loại hình trụ có ren |
| Loại | Cảm biến từ |
| Chất liệu vỏ | Thép không gỉ SUS303 (stainless steel) |
| Kiểu hình dáng | Thân ngắn (short body) |
| Đường kính thân | 8mm (M8) |
| Vỏ bọc cuộn cảm | Không (unshielded) |
| Khoảng cách phát hiện | 4mm |
| Nguồn cấp | 10...30VDC |
| Ngõ ra | PNP |
| Chế độ hoạt động | NC |
| Kiểu đấu nối | Giắc cắm M8 (3 pin) |
| Môi trường hoạt động | Chống nước, Chống dầu |
| Phụ kiện mua rời | Cáp kết nối: XS3F-M321-302-R, Cáp kết nối: XS3F-M321-305-R, Cáp kết nối: XS3F-M322-302-R, Cáp kết nối: XS3F-M322-305-R, Cáp kết nối: XS3F-M8PVC3A2M, Cáp kết nối: XS3F-M8PVC3A2M, Cáp kết nối: XS3F-M8PVC3S2M, Cáp kết nối: XS3F-M8PVC3S5M |
| Hướng phát hiện | Phía trước |
| Đối tượng phát hiện | Kim loại màu, Kim loại đen |
| Kích thước đối tượng phát hiện | 12x12x1mm, thép nhẹ ST37 |
| Tần số đáp ứng | 1kHz |
| Kiểu hiển thị | LED indicator |
| Chức năng bảo vệ | Bảo vệ quá tải, Bảo vệ phân cực ngược, Bảo vệ đột biến điện |
| Kiểu lắp đặt | Lắp xuyên qua lỗ (lắp lồi) |
| Chiều dài phần ren trên thân | 27mm |
| Nhiệt độ môi trường | -25...70°C |
| Độ ẩm môi trường | 35...95% |
| Khối lượng tương đối | 20g |
| Chiều dài thân | 44mm |
| Cấp bảo vệ | IP67 |
| Tiêu chuẩn | CE |




Cảm biến tiệm cận sử dụng ngõ ra PNP và NPN có những điểm khác nhau cơ bản như sau:
| Ngõ ra | PNP | NPN |
| Kiểu đầu ra | Điện áp dương | Điện áp thấp (0V) |
| Cách thức hoạt động | Dòng điện từ nguồn đến tải | Dòng điện từ tải đến nguồn |
| Sử dụng | Tải có nguồn cung cấp điện áp dương | Tải có nguồn cung cấp điện áp âm |
| Ưu điểm | Đơn giản, ít linh kiện | Ít nhiễu |
| Ứng dụng | Phát hiện vật liệu kim loại, cảm biến mực nước, cảm biến vị trí | Phát hiện vật liệu phi kim loại, cảm biến tốc độ, cảm biến đếm |
Liên hệ ngay Zalo/Hotline: 0968716063 để được đội ngũ kỹ thuật viên Tigatech hỗ trợ tư vấn và nhận chính sách ưu đãi với giá cả sản phẩm hấp dẫn.
Giao hàng trên toàn quốc
Thành tiền: