-
-
-
Tổng tiền thanh toán:
-
Thương hiệu: Omron
Tình trạng: Còn hàng
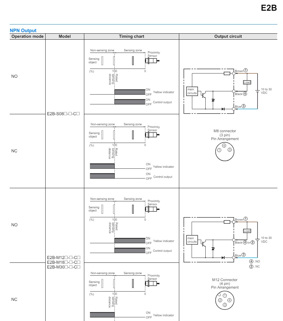
Cảm biến tiệm cận E2B series: M8, PNP, NO, Cable từ Omron có chức năng phát hiện các vật thể kim loại trong các hệ thống máy móc công nghiệp, từ tự động hóa đến điều khiển. Thiết bị này có đặc điểm là thuộc dạng NO và kết nối bằng cáp sạc.
Thiết bị được Tigatech phân phối với chất lượng đảm bảo chính hãng và giá cả ưu đãi, để được tư vấn cụ thể, quý khách vui lòng liên hệ Zalo/Hotline: 0968716063.
Cảm biến tiệm cận Omron E2B series: M8, PNP, NO, Cable được sử dụng trong các hệ thống máy móc điều khiển và tự động hóa công nghiệp trong đa dạng lĩnh vực. Thiết bị hoạt động theo nguyên lý phát hiện vật thể kim loại di chuyển trong hệ thống, đếm số lượng và kích hoạt các chức năng hoặc thay đổi trạng thái hoạt động của băng tải, bộ điều khiển hiện hành.
Thiết bị thuộc dạng NO (Normally Opened - Thường Mở) có kích thước nhỏ gọn, hình trụ, vỏ thép không gỉ, sử dụng ngõ ra NPN và được kết nối bởi dây cáp sạc.
| E2B-S08KN04-WP-B1 2M: Cảm biến tiệm cận, inductive, stainless steel, short body, M8, unshielded, 4 mm, DC, 3-wire, PNP NO, 2m cable |
| E2B-S08KN04-WP-B1 5M: Cảm biến tiệm cận, LITE, inductive, stainless steel, short body, M8, unshielded, 4 mm, DC, 3-wire, PNP-NO, 5m cable |
| E2B-S08KS01-WP-B1 2M: Cảm biến tiệm cận, LITE, inductive, stainless steel, short body, M8, shielded, 1 mm, DC, 3-wire, PNP-NO, 2m cable |
| E2B-S08KS02-WP-B1 2M: Cảm biến tiệm cận, inductive, stainless steel, short body, M8, shielded, 2 mm, DC, 3-wire, PNP NO, 2m cable |
| E2B-S08KS02-WP-B1 5M: Cảm biến tiệm cận, inductive, stainless steel, short body, M8, shielded, 2 mm, DC, 3-wire, PNP NO, 5m cable |
| E2B-S08LN04-WP-B1 2M: Cảm biến tiệm cận, LITE, inductive, stainless steel, long body, M8, unshielded, 4 mm, DC, 3-wire, PNP-NO, 2m cable |
| E2B-S08LS02-WP-B1 2M: Cảm biến tiệm cận, LITE, inductive, stainless steel, long body, M8, shielded, 2 mm, DC, 3-wire, PNP-NO, 2m cable |
| E2B-S08LS02-WP-B1 5M: Cảm biến tiệm cận, inductive, stainless steel, long body, M8, shielded, 2 mm, DC, 3-wire, PNP-NO, 5m Prewired |
Mỗi mã sản phẩm sẽ có thông số kỹ thuật chênh lệch và khác biệt. Quý khách hàng vui lòng liên hệ Tigatech để được tư vấn kỹ càng và chính xác nhất.
| Hình dạng | Loại hình trụ có ren |
| Loại | Cảm biến từ |
| Chất liệu vỏ | Thép không gỉ SUS303 (stainless steel) |
| Kiểu hình dáng | Thân ngắn (short body) |
| Đường kính thân | 8mm (M8) |
| Vỏ bọc cuộn cảm | Không (unshielded) |
| Khoảng cách phát hiện | 4mm |
| Loại dây | 3 dây (3-wire) |
| Nguồn cấp | 10...30VDC |
| Ngõ ra | PNP |
| Chế độ hoạt động | NO |
| Kiểu đấu nối | Dây cáp (2m) |
| Môi trường hoạt động | Chống nước, Chống dầu |
| Phụ kiện mua rời | Cáp kết nối: XS3F-M321-302-R, Cáp kết nối: XS3F-M321-305-R, Cáp kết nối: XS3F-M322-302-R, Cáp kết nối: XS3F-M322-305-R, Cáp kết nối: XS3F-M8PVC3A2M, Cáp kết nối: XS3F-M8PVC3A2M, Cáp kết nối: XS3F-M8PVC3S2M, Cáp kết nối: XS3F-M8PVC3S5M |
| Hướng phát hiện | Phía trước |
| Đối tượng phát hiện | Kim loại màu, Kim loại đen |
| Kích thước đối tượng phát hiện | 12x12x1mm, thép nhẹ ST37 |
| Tần số đáp ứng | 1kHz |
| Kiểu hiển thị | LED indicator |
| Chức năng bảo vệ | Bảo vệ quá tải, Bảo vệ phân cực ngược, Bảo vệ đột biến điện |
| Chiều dài phần ren trên thân | 27mm |
| Nhiệt độ môi trường | -25...70°C |
| Độ ẩm môi trường | 35...95% |
| Khối lượng tương đối | 65g |
| Tiêu chuẩn | IP67 (IEC60529), EMC (EN60947-5-2) |




Liên hệ ngay Zalo/Hotline: 0968716063 để được đội ngũ kỹ thuật viên Tigatech hỗ trợ tư vấn và nhận chính sách ưu đãi với giá cả sản phẩm hấp dẫn.
Giao hàng trên toàn quốc
Thành tiền: