-
-
-
Tổng tiền thanh toán:
-
Thương hiệu: Omron
Tình trạng: Còn hàng
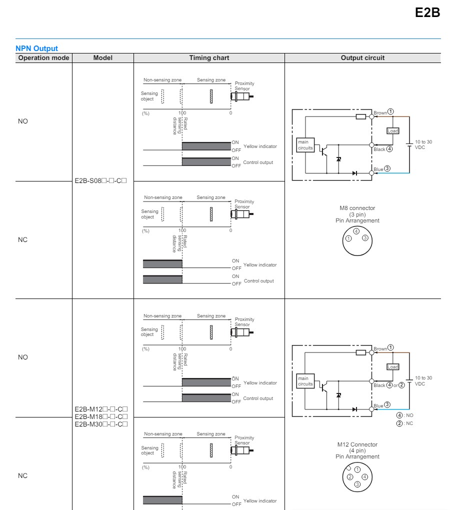
Cảm biến tiệm cận Omron E2B series: M8, PNP, NO, Connector M8 - 3 pin tiếp tục là một trong những thiết bị phát hiện vật thể kim loại trong hệ thống máy móc công nghiệp, được sản xuất bởi hãng Omron uy tín.
Thiết bị được Tigatech phân phối với chất lượng đảm bảo chính hãng và giá cả ưu đãi, để được tư vấn cụ thể, quý khách vui lòng liên hệ Zalo/Hotline: 0968716063.
Trong môi trường công nghiệp hiện đại, cảm biến tiệm cận Omron E2B series: M8, PNP, NO, Connector M8 - 3 pin được sử dụng để phát hiện vật thể kim loại xuất hiện hoặc di chuyển trong hệ thống băng tải, từ đó kích hoạt các chức năng hoặc thay đổi trạng thái hoạt động của hệ thống tự động hóa.
Thiết bị phân biệt với các “người anh em” cùng series bởi cổng kết nối M8-3pin cũng như sở hữu các đặc điểm kích thước nhỏ gọn, vỏ thép không gỉ, ngõ ra PNP và thuộc dạng NO (Normally Opened - Thường Mở).
| E2B-S08KN02-MC-B1: Cảm biến tiệm cận, inductive, stainless steel, short body, M8, unshielded, 2 mm, DC, 3-wire, PNP-NO, M8 plug-in |
| E2B-S08KN04-MC-B1: Cảm biến tiệm cận, inductive, stainless steel, short body, M8, unshielded, 4 mm, DC, 3-wire, PNP NO, M8 connector 3 pin |
| E2B-S08KS01-MC-B1: Cảm biến tiệm cận, inductive, stainless steel, short body, M8, shielded, 1 mm, DC, 3-wire, PNP-NO, M8 plug-in |
| E2B-S08KS02-MC-B1: Cảm biến tiệm cận, inductive, stainless steel, short body, M8, shielded, 2 mm, DC, 3-wire, PNP NO, M8 connector 3 pin |
| E2B-S08KS02-MC-B1-20: Multi-pack E2B-S08KS02-MC-B1 OMS: 1 pcs. = 1 box of 20 pcs |
| E2B-S08LN04-MC-B1: Cảm biến tiệm cận, LITE, inductive, stainless steel, long body, M8, unshielded, 4 mm, DC, 3-wire, PNP-NO, M8 plug-in |
| E2B-S08LS01-MC-B1: Cảm biến tiệm cận, inductive, stainless steel, long body, M8, shielded, 1 mm, DC, 3-wire, PNP-NO, M8 plug-in |
| E2B-S08LS02-MC-B1: Cảm biến tiệm cận, LITE, inductive, stainless steel, long body, M8, shielded, 2 mm, DC, 3-wire, PNP-NO, M8 plug-in (3 pin) |
Mỗi mã sản phẩm sẽ có thông số kỹ thuật chênh lệch và khác biệt. Quý khách hàng vui lòng liên hệ Tigatech để được tư vấn kỹ càng và chính xác nhất.
| Hình dạng | Loại hình trụ có ren |
| Loại | Cảm biến từ |
| Chất liệu vỏ | Thép không gỉ SUS303 (stainless steel) |
| Kiểu hình dáng | Thân ngắn (short body) |
| Đường kính thân | 8mm (M8) |
| Vỏ bọc cuộn cảm | Không (unshielded) |
| Khoảng cách phát hiện | 4mm |
| Loại dây | 3 dây (3-wire) |
| Nguồn cấp | 10...30VDC |
| Ngõ ra | PNP |
| Chế độ hoạt động | NO |
| Kiểu đấu nối | Connector M8 - 3 pin |
| Môi trường hoạt động | Chống nước, Chống dầu |
| Phụ kiện mua rời | Cáp kết nối: XS3F-M321-302-R, Cáp kết nối: XS3F-M321-305-R, Cáp kết nối: XS3F-M322-302-R, Cáp kết nối: XS3F-M322-305-R, Cáp kết nối: XS3F-M8PVC3A2M, Cáp kết nối: XS3F-M8PVC3A2M, Cáp kết nối: XS3F-M8PVC3S2M, Cáp kết nối: XS3F-M8PVC3S5M |
| Hướng phát hiện | Phía trước |
| Đối tượng phát hiện | Kim loại màu, Kim loại đen |
| Kích thước đối tượng phát hiện | 8x8x1mm, thép nhẹ ST37 |
| Tần số đáp ứng | 1kHz |
| Kiểu hiển thị | LED indicator |
| Chức năng bảo vệ | Bảo vệ quá tải, Bảo vệ phân cực ngược, Bảo vệ đột biến điện |
| Chiều dài phần ren trên thân | 27mm |
| Nhiệt độ môi trường | -25...70°C |
| Độ ẩm môi trường | 35...95% |
| Khối lượng tương đối | 20g |
| Chiều dài thân | 44mm |
| Tiêu chuẩn | IP67, EC |




Cảm biến tiệm cận Omron thuộc E2B series có hai phương thức kết nối phổ biến là cổng kết nối M8 - 3 pin (Connector M8 - 3 pin) và dây cáp. Sau đây là một số điểm khác biệt giữa hai loại kết nối:
- Về cấu tạo:
- Về cách thức hoạt động:
- Về đặc tính:
Liên hệ ngay Zalo/Hotline: 0968716063 để được đội ngũ kỹ thuật viên Tigatech hỗ trợ tư vấn và nhận chính sách ưu đãi với giá cả sản phẩm hấp dẫn.
Giao hàng trên toàn quốc
Thành tiền: