-
-
-
Tổng tiền thanh toán:
-
Thương hiệu: Omron
Tình trạng: Còn hàng
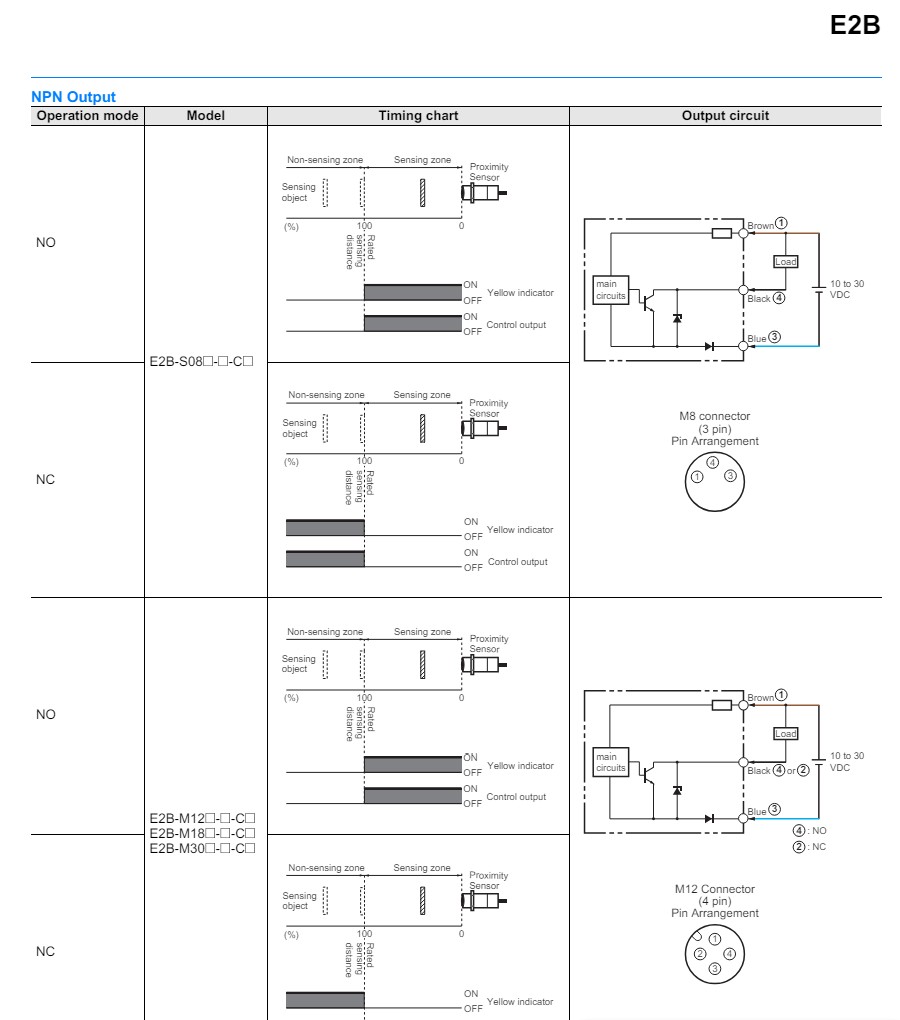
Cảm biến tiệm cận E2B series: M8, NPN, NC của Omron là một loại cảm biến tiệm cận dùng để phát hiện vật thể kim loại, có kích thước nhỏ gọn, dễ sử dụng với độ tin cậy cao trong các hệ thống băng tải, thiết bị tự động hóa công nghiệp.
Tigatech phân phối thiết bị với chất lượng đảm bảo chính hãng và giá cả ưu đãi, để được tư vấn cụ thể, quý khách vui lòng liên hệ Zalo/Hotline: 0968716063.
Cảm biến tiệm cận Omron E2B series: M8, NPN, NC với kích thước nhỏ gọn, hình trụ thuộc series cảm biến tiệm cận dạng NC (Normally Closed - Thường Đóng) do Omron sản xuất. Thiết bị này được sử dụng để phát hiện các vật thể kim loại trong các hệ thống máy móc và thường được ứng dụng để phát hiện chuyển động của vật thể trong hệ thống, kích hoạt các chức năng hoặc trạng thái của hệ thống, giám sát và đếm số lượng vật thể trong các hệ thống đang hoạt động.
| E2B-S08KN04-MC-C2: Cảm biến tiệm cận, LITE, inductive, stainless steel, short body, M8, unshielded, 4mm, DC, 3-wire, NPN-NC, M8 plug-in |
| E2B-S08KS02-WP-C2 2M: Cảm biến tiệm cận, inductive, stainless steel, short body, M8, shielded, 2mm, DC, 3-wire, NPN NC, 2m cable |
| E2B-S08KS02-WP-C2 5M: Cảm biến tiệm cận, inductive, stainless steel, short body, M8, shielded, 2mm, DC, 3-wire, NPN-NC, 5m cable |
Mỗi mã sản phẩm sẽ có thông số kỹ thuật chênh lệch và khác biệt. Quý khách hàng vui lòng liên hệ Tigatech để được tư vấn kỹ càng và chính xác nhất.
| Hình dạng | Loại hình trụ có ren |
| Loại | Cảm biến từ |
| Chất liệu vỏ | Thép không gỉ SUS303 (stainless steel) |
| Kiểu hình dáng | Thân ngắn (short body) |
| Đường kính thân | 8mm (M8) |
| Vỏ bọc cuộn cảm | Không (unshielded) |
| Khoảng cách phát hiện | 4mm |
| Nguồn cấp | 10...30VDC |
| Ngõ ra | NPN |
| Chế độ hoạt động | NC |
| Kiểu đấu nối | Giắc cắm M8 (3 pin) |
| Môi trường hoạt động | Chống nước, Chống dầu |
| Phụ kiện mua rời | Cáp kết nối: XS3F-M321-302-R, Cáp kết nối: XS3F-M321-305-R, Cáp kết nối: XS3F-M322-302-R, Cáp kết nối: XS3F-M322-305-R, Cáp kết nối: XS3F-M8PVC3A2M, Cáp kết nối: XS3F-M8PVC3A2M, Cáp kết nối: XS3F-M8PVC3S2M, Cáp kết nối: XS3F-M8PVC3S5M |
| Hướng phát hiện | Phía trước |
| Đối tượng phát hiện | Kim loại màu, Kim loại đen |
| Kích thước đối tượng phát hiện | 12x12x1mm, thép nhẹ ST37 |
| Tần số đáp ứng | 1kHz |
| Kiểu hiển thị | LED indicator |
| Chức năng bảo vệ | Bảo vệ quá tải, Bảo vệ phân cực ngược, Bảo vệ đột biến điện |
| Kiểu lắp đặt | Lắp xuyên qua lỗ (lắp lồi) |
| Chiều dài phần ren trên thân | 27mm |
| Nhiệt độ môi trường | -25...70°C |
| Độ ẩm môi trường | 35...95% |
| Khối lượng tương đối | 20g |
| Chiều dài thân | 44mm |
| Cấp bảo vệ | IP67 |
| Tiêu chuẩn | CE |




Liên hệ ngay Zalo/Hotline: 0968716063 để được đội ngũ kỹ thuật viên Tigatech hỗ trợ tư vấn và nhận chính sách ưu đãi với giá cả sản phẩm hấp dẫn.
Giao hàng trên toàn quốc
Thành tiền: