-
-
-
Tổng tiền thanh toán:
-
Thương hiệu: Omron
Tình trạng: Còn hàng
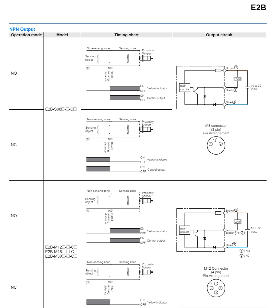
Cảm biến tiệm cận E2B series: M8, NPN, NO là một cảm biến tiệm cận dạng hình trụ thuộc E2B series của Omron, có kích thước ren M8, kiểu ngõ ra NPN và chế độ hoạt động NO, dùng để phát hiện các vật thể kim loại mà không cần tiếp xúc.
Thiết bị được Tigatech đảm bảo chất lượng chính hãng và phân phối với giá cả ưu đãi, để được tư vấn cụ thể, quý khách vui lòng liên hệ Zalo/Hotline: 0968716063.
Ngược lại với “người anh em” cùng series E2B, cảm biến tiệm cận Omron E2B series: M8, NPN, NO thuộc dạng NO (Normally Opened - Thường Mở). Vẫn sở hữu những đặc tính tương đồng như kích thước nhỏ gọn, hình trụ.
Được sử dụng để phát hiện các vật thể kim loại trong các hệ thống máy móc, cảm biến tiệm cận Omron E2B series: M8, NPN, NO thường hiện diện trong các hệ thống máy móc với nguyên lý làm việc là phát hiện chuyển động của vật thể trong hệ thống, kích hoạt các chức năng hoặc trạng thái của hệ thống, giám sát và đếm số lượng vật thể.
| E2B-S08KN04-MC-C1: Cảm biến tiệm cận, LITE, inductive, stainless steel, short body, M8, unshielded, 4mm, DC, 3-wire, NPN-NO, M8 plug-in (3 pin) |
| E2B-S08KN04-WP-C1 2M: Cảm biến tiệm cận, inductive, stainless steel, short body, M8, unshielded, 4mm, DC, 3-wire, NPN NO, 2 m cable |
| E2B-S08KS02-MC-C1: Cảm biến tiệm cận, inductive, stainless steel, short body, M8, shielded, 2mm, DC, 3-wire, NPN NO, M8 connector 3 pins |
| E2B-S08KS02-WP-C1 2M: Cảm biến tiệm cận, inductive, stainless steel, short body, M8, shielded, 2mm, DC, 3-wire, NPN NO, 2 m cable |
| E2B-S08KS02-WP-C1 5M: Cảm biến tiệm cận, inductive, stainless steel, short body, M8, shielded, 2mm, DC, 3-wire, NPN-NO, 5 m cable |
| E2B-S08LN04-WP-C1 2M: Cảm biến tiệm cận, inductive, stainless steel, long body, M8, unshielded, 4mm, DC, 3-wire, NPN-NO, 2 m cable |
| E2B-S08LS02-MC-C1: Cảm biến tiệm cận, LITE, inductive, stainless steel, long body, M8, shielded, 2mm, DC, 3-wire, NPN-NO, M8 plug-in (3 pin) |
| E2B-S08LS02-WP-C1 2M: Cảm biến tiệm cận, LITE, inductive, stainless steel, long body, M8, shielded, 2mm, DC, 3-wire, NPN-NO, 2 m cable |
Mỗi mã sản phẩm sẽ có thông số kỹ thuật chênh lệch và khác biệt. Quý khách hàng vui lòng liên hệ Tigatech để được tư vấn kỹ càng và chính xác nhất.
| Hình dạng | Loại hình trụ có ren |
| Loại | Cảm biến từ |
| Chất liệu vỏ | Thép không gỉ SUS303 (stainless steel) |
| Kiểu hình dáng | Thân ngắn (short body) |
| Đường kính thân | 8mm (M8) |
| Loại chống nhiễu | Không (unshielded) |
| Khoảng cách phát hiện | 4mm |
| Nguồn cấp | 10...30VDC |
| Ngõ ra | NPN |
| Chế độ hoạt động | NO |
| Kiểu đấu nối | Giắc cắm (3 pin) |
| Môi trường hoạt động | Chống nước, Chống dầu |
| Phụ kiện mua rời | Cáp kết nối: XS3F-M321-302-R, Cáp kết nối: XS3F-M321-305-R, Cáp kết nối: XS3F-M322-302-R, Cáp kết nối: XS3F-M322-305-R, Cáp kết nối: XS3F-M8PVC3A2M, Cáp kết nối: XS3F-M8PVC3A2M, Cáp kết nối: XS3F-M8PVC3S2M, Cáp kết nối: XS3F-M8PVC3S5M |
| Hướng phát hiện | Phía trước |
| Đối tượng phát hiện | Kim loại màu, Kim loại đen |
| Kích thước đối tượng phát hiện | 12x12x1mm, thép nhẹ ST37 |
| Tần số đáp ứng | 1kHz |
| Kiểu hiển thị | LED indicator |
| Chức năng bảo vệ | Bảo vệ quá tải, Bảo vệ phân cực ngược, Bảo vệ đột biến điện |
| Kiểu lắp đặt | Lắp xuyên qua lỗ (lắp lồi) |
| Chiều dài phần ren trên thân | 27mm |
| Nhiệt độ môi trường | -25...70°C |
| Độ ẩm môi trường | 35...95% |
| Khối lượng tương đối | 20g |
| Chiều dài thân | 44mm |
| Cấp bảo vệ | IP67 |
| Tiêu chuẩn | CE |




- Về nguyên lý hoạt động:
- Về ứng dụng:
- Về ưu điểm:
- Về nhược điểm:
Liên hệ ngay Zalo/Hotline: 0968716063 để được đội ngũ kỹ thuật viên Tigatech hỗ trợ tư vấn và nhận chính sách ưu đãi với giá cả sản phẩm hấp dẫn.
Giao hàng trên toàn quốc
Thành tiền: